Tate Strut Ceiling Connection Render Image Desktop En Us
Tate Strut Heavy Duty Cable Render Image Desktop En Us
Tate Strut Heavy Duty Cable 2 Render Image Desktop En Us
Tate Strut Layout Render Image Desktop En Us
Tate Strut Main Render Image Desktop En Us
Tate Strut Light Duty Infill Extrusion Render Image Desktop En Us
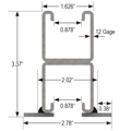
Tate Strut Profile Wdimensions Render Image Desktop En Us
Tate Strut Ceiling Connection Render Image Desktop En Us
Tate Strut Heavy Duty Cable Render Image Desktop En Us
Tate Strut Heavy Duty Cable 2 Render Image Desktop En Us
Tate Strut Layout Render Image Desktop En Us
Tate Strut Main Render Image Desktop En Us
Tate Strut Light Duty Infill Extrusion Render Image Desktop En Us
Tate Strut Profile Wdimensions Render Image Desktop En Us

Tate Strut

Strong, Flexible Support for Every Ceiling Application.

Tate Strut is a strong, galvanized steel profile with a white painted finish. Uniquely integrated welded flanges support tiles, light fixtures and return air grilles—removing the need for two separate ceiling systems. The continuous open channel slot allows for full flexibility when suspending cable trays, bus bars, and other heavy accessories from the structural ceiling. Both strut main runners and structural tees are pre-drilled for infill connections based upon application specifications.

Product Highlights

  • 12 gauge steel construction
  • Hot dipped galvanized pretreatment with a white or black power coat finish
  • Continuous open top slot to accommodate connection to building structure
  • Continuous open bottom slot to accommodate connections of cable trays, bus bars, and other heavy accessories
  • Welded flange to accommodate ceiling tiles, lights and return grilles
  • Strut profile is pre-drilled for installation of light structural infill to maintain grid for installing ceiling tiles

Product Downloads

Technical Information

Downloads